意大利利雅路燃烧器无锡地区代理
无锡双君热能设备有限公司(海天机电)
地址:无锡市洛社镇天奇城34号102室
联系人:黄明强
电话:0510-83311728
传真:0510-83311718
手机:13806190767
邮编:214187
电子邮件: info@wxhtjd.com
网址:http://www.wxhtjd.com

| 型号 | 耗气量 | 出力 | 天然气最小进气压力 mbar | 控制方式 | 电源 | 马达功率 (kW) | 重量 | ||||
| 天然气 | 液化气 | 最小 | 最大 | ||||||||
| 最小 m3/h | 最大 m3/h | 最大 m3/h | 最小 m3/h | kW | KW | Kg | |||||
| TBG150P | 150.9 | 30.2 | 76.3 | 16.2 | 1200.0 | 240.0 | 30 | 二段火 | 3N * 380V * 50Hz | 2.2 | 91 |

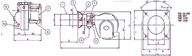
| 型号 | A | A1 | A2 | B | B1 | B6 | C | D | E | F | I | L | M | N | ||
| min | max | min | max | |||||||||||||
| TBG55/55P | 645 | 275 | 370 | 510 | 380 | 160 | 1230 | 175 | 400 | 161 | 159 | 260 | 225 | 300 | M12 | 170 |
| TBG85P | 645 | 275 | 370 | 520 | 380 | 160 | 1230 | 175 | 400 | 180 | 178 | 280 | 250 | 325 | M12 | 190 |
| TBG120P | 645 | 275 | 370 | 540 | 380 | 160 | 1280 | 200 | 450 | 224 | 219 | 320 | 280 | 370 | M12 | 235 |
| TBG150P | 645 | 275 | 370 | 540 | 380 | 160 | 1280 | 200 | 450 | 240 | 219 | 320 | 280 | 370 | M12 | 250 |